Simple Wiring Diagram For Boat Single Battery - Ampper battery switch, battery power master switch disconnect isolator for car, vehicle, rv and boat.

Simple Wiring Diagram For Boat Single Battery - Ampper battery switch, battery power master switch disconnect isolator for car, vehicle, rv and boat.. Automatic ups system wiring circuit diagram for home or office (new design with one live wire) automatic ups system wiring diagram in case of some items depends on ups and rest depends on main power at office or home. Ampper battery switch, battery power master switch disconnect isolator for car, vehicle, rv and boat. Splice or run the 12 volt hot lead (black for tekonsha, yellow for tow ready) on the charger into the 12 volt hot lead running from the trailer connector to the trailer. If your vehicle is not equipped with a working trailer wiring harness, there are a number of different solutions to provide the perfect fit for. 4, copper terminal studs with nuts and washers.

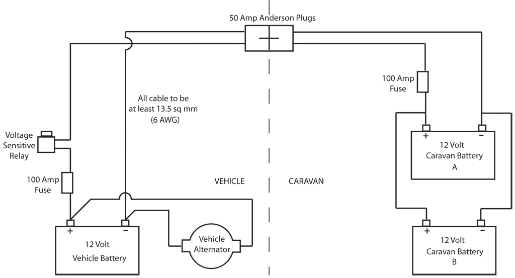
See point c on the wiring diagram shown above; Proper battery management, including switching and charging, is essential for safe and reliable operation. Automatic ups system wiring circuit diagram for home or office (new design with one live wire) automatic ups system wiring diagram in case of some items depends on ups and rest depends on main power at office or home. The following basic wiring diagrams show how batteries, battery switches, and automatic charging relays are wired together from a simple single battery / single engine configuration to a two engine, one generator, and four battery bank system. Electric circuit electric boat boat horn buick roadmaster house wiring electrical wiring diagram electrical connection led light bars cars.

Simple Boat Wiring Diagram Single Battery
Simple Boat Wiring Diagram Single Battery from i0.wp.com
The problem with wiring the remote turn on this way is if you forget to flip the switch to the off position, the amplifier will stay on creating a draw on the battery while the vehicle's electrical system is not charging, which could result in a dead battery. Trailer wiring connectors various connectors are available from four to seven pins that allow for the transfer of power for the lighting as well as auxiliary functions such as an electric trailer brake controller, backup lights, or a 12v power supply for a winch or interior trailer lights. Automatic ups system wiring circuit diagram for home or office (new design with one live wire) automatic ups system wiring diagram in case of some items depends on ups and rest depends on main power at office or home. Manual ups wiring diagram with change over switch system. 1, abs plastic housing, durable made for safety use. 2, rear cover insulates terminals against any short of circuits. The following basic wiring diagrams show how batteries, battery switches, and automatic charging relays are wired together from a simple single battery / single engine configuration to a two engine, one generator, and four battery bank system. See point c on the wiring diagram shown above;

Proper battery management, including switching and charging, is essential for safe and reliable operation.

Electric circuit electric boat boat horn buick roadmaster house wiring electrical wiring diagram electrical connection led light bars cars. The battery should be a combo starting/deep cycle battery, usually sold as a "marine battery". Automatic ups system wiring circuit diagram for home or office (new design with one live wire) automatic ups system wiring diagram in case of some items depends on ups and rest depends on main power at office or home. 2, rear cover insulates terminals against any short of circuits. Manual ups wiring diagram with change over switch system. 1, abs plastic housing, durable made for safety use. See point c on the wiring diagram shown above; The problem with wiring the remote turn on this way is if you forget to flip the switch to the off position, the amplifier will stay on creating a draw on the battery while the vehicle's electrical system is not charging, which could result in a dead battery. Proper battery management, including switching and charging, is essential for safe and reliable operation. If your vehicle is not equipped with a working trailer wiring harness, there are a number of different solutions to provide the perfect fit for. An ordinary auto battery would do for starting and lights, but for running a radio and other electronics something with a little more of a deep cycle capacity will be needed so the battery doesn't go flat while you're fishing and listening to the radio, and leave you stranded when you try to. Trailer wiring connectors various connectors are available from four to seven pins that allow for the transfer of power for the lighting as well as auxiliary functions such as an electric trailer brake controller, backup lights, or a 12v power supply for a winch or interior trailer lights. The following basic wiring diagrams show how batteries, battery switches, and automatic charging relays are wired together from a simple single battery / single engine configuration to a two engine, one generator, and four battery bank system.

Proper battery management, including switching and charging, is essential for safe and reliable operation. 2, rear cover insulates terminals against any short of circuits. Automatic ups system wiring circuit diagram for home or office (new design with one live wire) automatic ups system wiring diagram in case of some items depends on ups and rest depends on main power at office or home. If your vehicle is not equipped with a working trailer wiring harness, there are a number of different solutions to provide the perfect fit for. Feb 23, 2019 · troy bilt 13wn77ks011 pony 2013 parts diagram for wiring schematic troy bilt 13103 troy bilt hydro ltx lawn tractor sn briggs and stratton power products 030477a 01 7.

Simple Boat Wiring Diagram Single Battery
Simple Boat Wiring Diagram Single Battery from i0.wp.com
Feb 23, 2019 · troy bilt 13wn77ks011 pony 2013 parts diagram for wiring schematic troy bilt 13103 troy bilt hydro ltx lawn tractor sn briggs and stratton power products 030477a 01 7. See point c on the wiring diagram shown above; The problem with wiring the remote turn on this way is if you forget to flip the switch to the off position, the amplifier will stay on creating a draw on the battery while the vehicle's electrical system is not charging, which could result in a dead battery. 2, rear cover insulates terminals against any short of circuits. Splice or run the 12 volt hot lead (black for tekonsha, yellow for tow ready) on the charger into the 12 volt hot lead running from the trailer connector to the trailer. Automatic ups system wiring circuit diagram for home or office (new design with one live wire) automatic ups system wiring diagram in case of some items depends on ups and rest depends on main power at office or home. This connection will charge the battery when the vehicle is in use. An ordinary auto battery would do for starting and lights, but for running a radio and other electronics something with a little more of a deep cycle capacity will be needed so the battery doesn't go flat while you're fishing and listening to the radio, and leave you stranded when you try to.

The problem with wiring the remote turn on this way is if you forget to flip the switch to the off position, the amplifier will stay on creating a draw on the battery while the vehicle's electrical system is not charging, which could result in a dead battery.

Feb 23, 2019 · troy bilt 13wn77ks011 pony 2013 parts diagram for wiring schematic troy bilt 13103 troy bilt hydro ltx lawn tractor sn briggs and stratton power products 030477a 01 7. 2, rear cover insulates terminals against any short of circuits. An ordinary auto battery would do for starting and lights, but for running a radio and other electronics something with a little more of a deep cycle capacity will be needed so the battery doesn't go flat while you're fishing and listening to the radio, and leave you stranded when you try to. Electric circuit electric boat boat horn buick roadmaster house wiring electrical wiring diagram electrical connection led light bars cars. Proper battery management, including switching and charging, is essential for safe and reliable operation. The battery should be a combo starting/deep cycle battery, usually sold as a "marine battery". The following basic wiring diagrams show how batteries, battery switches, and automatic charging relays are wired together from a simple single battery / single engine configuration to a two engine, one generator, and four battery bank system. 4, copper terminal studs with nuts and washers. See point d on the wiring diagram shown above; 1, abs plastic housing, durable made for safety use. Splice or run the 12 volt hot lead (black for tekonsha, yellow for tow ready) on the charger into the 12 volt hot lead running from the trailer connector to the trailer. Ampper battery switch, battery power master switch disconnect isolator for car, vehicle, rv and boat. Automatic ups system wiring circuit diagram for home or office;

Trailer wiring connectors various connectors are available from four to seven pins that allow for the transfer of power for the lighting as well as auxiliary functions such as an electric trailer brake controller, backup lights, or a 12v power supply for a winch or interior trailer lights. Automatic ups system wiring circuit diagram for home or office (new design with one live wire) automatic ups system wiring diagram in case of some items depends on ups and rest depends on main power at office or home. The following basic wiring diagrams show how batteries, battery switches, and automatic charging relays are wired together from a simple single battery / single engine configuration to a two engine, one generator, and four battery bank system. Electric circuit electric boat boat horn buick roadmaster house wiring electrical wiring diagram electrical connection led light bars cars. See point c on the wiring diagram shown above;

Simple Boat Wiring Diagram Single Battery - Wiring Diagram
Simple Boat Wiring Diagram Single Battery - Wiring Diagram from newboatbuilders.com
The following basic wiring diagrams show how batteries, battery switches, and automatic charging relays are wired together from a simple single battery / single engine configuration to a two engine, one generator, and four battery bank system. Electric circuit electric boat boat horn buick roadmaster house wiring electrical wiring diagram electrical connection led light bars cars. Automatic ups system wiring circuit diagram for home or office (new design with one live wire) automatic ups system wiring diagram in case of some items depends on ups and rest depends on main power at office or home. 1, abs plastic housing, durable made for safety use. The battery should be a combo starting/deep cycle battery, usually sold as a "marine battery". Splice or run the 12 volt hot lead (black for tekonsha, yellow for tow ready) on the charger into the 12 volt hot lead running from the trailer connector to the trailer. If your vehicle is not equipped with a working trailer wiring harness, there are a number of different solutions to provide the perfect fit for. 4, copper terminal studs with nuts and washers.

If your vehicle is not equipped with a working trailer wiring harness, there are a number of different solutions to provide the perfect fit for.

An ordinary auto battery would do for starting and lights, but for running a radio and other electronics something with a little more of a deep cycle capacity will be needed so the battery doesn't go flat while you're fishing and listening to the radio, and leave you stranded when you try to. Automatic ups system wiring circuit diagram for home or office; Feb 23, 2019 · troy bilt 13wn77ks011 pony 2013 parts diagram for wiring schematic troy bilt 13103 troy bilt hydro ltx lawn tractor sn briggs and stratton power products 030477a 01 7. 1, abs plastic housing, durable made for safety use. See point d on the wiring diagram shown above; Ampper battery switch, battery power master switch disconnect isolator for car, vehicle, rv and boat. Automatic ups system wiring circuit diagram for home or office (new design with one live wire) automatic ups system wiring diagram in case of some items depends on ups and rest depends on main power at office or home. Trailer wiring connectors various connectors are available from four to seven pins that allow for the transfer of power for the lighting as well as auxiliary functions such as an electric trailer brake controller, backup lights, or a 12v power supply for a winch or interior trailer lights. This connection will charge the battery when the vehicle is in use. Manual ups wiring diagram with change over switch system. Splice or run the 12 volt hot lead (black for tekonsha, yellow for tow ready) on the charger into the 12 volt hot lead running from the trailer connector to the trailer. 2, rear cover insulates terminals against any short of circuits. The battery should be a combo starting/deep cycle battery, usually sold as a "marine battery".

Posting Komentar

Lebih baru Lebih lama

Facebook